您好,欢迎访问无锡市裕群机械制造有限公司的企业网站! 咨询电话:0510 - 8559 1165

product

产品中心

专业生产液压气动,液压气缸
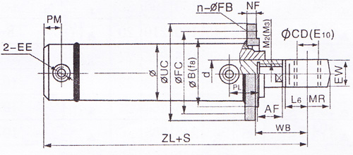
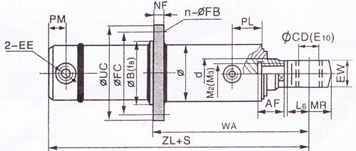
HSG系列工程液压缸

活塞杆端为内螺纹带单耳环连接

1.活塞杆为内螺纹带单耳环连接:
   
1.)尾部单耳环连接
2.)

   
3.)中间轴销连接

   
4.)前端法兰连接

   
5.)中部法兰连接

« 1 2 3 4 5 6 7 8 9 »

上一页:液压站
下一页:DG系列车辆液压缸
GO TO THE TOP